Программный комплекс Model Studio CS Кабельное хозяйство позволяет проектировать раскладку кабелей внутри помещений, по открытым территориям, на эстакадах, в траншеях, использовать любые кабельные конструкции, сформировать и выпустить кабельный журнал, спецификацию на оборудование, кабели и кабельные конструкции, ведомости объемов работ. Комплекс включен в общую технологию проектирования, реализованную в линейке программных продуктов Model Studio CS.
Важнейшие задачи, решаемые этим программным продуктом:
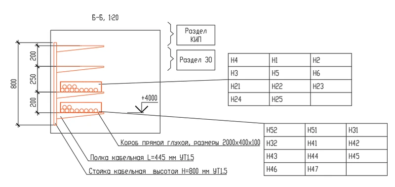
конструирование и компоновка кабельных конструкций любой сложности в трехмерном пространстве;
раскладка кабелей в соответствии с требованиями ПУЭ-7, учет резервирования, напряжения, назначения, типа кабелей, диаметра изгиба и т.д.;
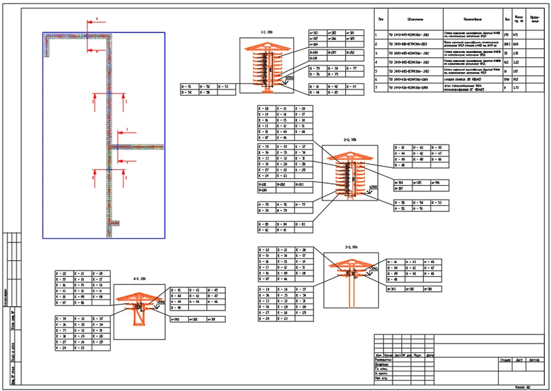
получение оформленных планов, разрезов и сечений на кабельные конструкции;
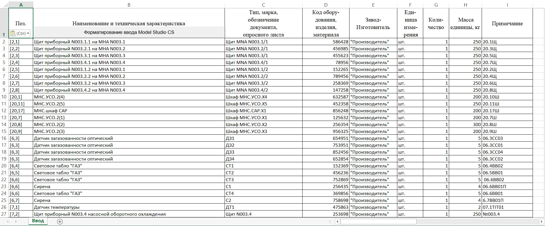
формирование и выпуск полного комплекта табличной документации по кабельной раскладке — с рамками, штампами, эмблемами и т.п. (в форматах MS Word, MS Excel, AutoCAD/nanoCAD);
интеграция с CADLib Модель и Архив — программным комплексом для информационной поддержки процессов строительства и эксплуатации промышленных объектов.
Задачи
Конструирование и компоновка кабельных конструкций любой сложности в трехмерном пространстве.
Раскладка кабелей в соответствии с требованиями ПУЭ-7, учет резервирования, напряжения, назначения, типа кабелей, диаметра изгиба и т.д..
Получение оформленных планов, разрезов и сечений на кабельные конструкции.
Формирование и выпуск полного комплекта табличной документации по кабельной раскладке — с рамками, штампами, эмблемами и т.п. (в форматах MS Word, MS Excel, AutoCAD/nanoCAD).
Возможности
База данных
База данных программы Model Studio CS Кабельное хозяйство включает в себя информацию по специализированному оборудованию, изделиям и материалам, применяемым для выполнения трехмерной модели кабельной раскладки. Данные об объектах базы хранятся в CADLib — Менеджере библиотек стандартных компонентов для линейки программ Model Studio CS, в основу которого положена СУБД Microsoft SQL Server. Объекты б…
Конструирование кабельных конструкций
В программном комплексе Model Studio CS Кабельное хозяйство используются новейшие технологии трехмерного проектирования, уникальные разработки компании CSoft Development для линейки программ Model Studio CS, основанные на применении параметрических объектов. Графика изделия формируется из дву- и трехмерных графических примитивов, а их размеры задаются с помощью ряда параметров, имеющихся у описыва…
Раскладка кабеля
При условии, что проект компоновки оборудования выполнен, например, в Model Studio CS Трубопроводы или Model Studio CS ОРУ, трассировка и раскладка кабелей не займут много времени. Объясняется это тем, что все технологическое, высоковольтное оборудование, размещаемое в моделях Model Studio CS, уже имеет специальные контакты для подключения кабелей. Но даже если такого проекта нет, компоновку обору…
Получение табличной документации
Спецификацию на оборудование, кабели и кабельные конструкции можно вывести в требуемый формат выходного документа. С перечнем и количеством примененных изделий вы можете в реальном времени ознакомиться непосредственно в программе — для этого предназначен специализированный инструмент, называемый спецификатором.
Кабельный журнал также можно отслеживать в реальном времени или вывести в требуемый …
Получение графической документации
Получение плана трасс и сечений по кабельным конструкциям с выносками, обозначениями, подписями также не составляет труда. Достаточно указать места сечений, при этом программа автоматически проставляет выноски с позициями кабелей, проложенных в данном месте.
По каждому сечению можно получить отдельный чертеж, разрез, на котором будут отображены кабельные конструкции и кабели. Программа предложи…
Расширенная поддержка 3D-форматов (STL, SAT, STP, IGES, JT, X_T, X_B, VRML и т.д.)
Создание цифровой модели местности
Оцифровка отсканированных чертежей
Управление настройками САПР
Тип
Основной
Конфигурация
Конфигурация
Конфигурация
Конфигурация
Для кого?
Для узкопрофильных компаний
Для компаний из области строительства
Для компаний из области изысканий
Для компаний из области машиностроения
Для крупного бизнеса с различными отраслевыми задачами
nanoCAD
ОсновнойДля узкопрофильных компаний
Создание и редактирование чертежей
Поддержка *.dwg-формата
Печать документов в PDF
Поддержка приложений и скриптов
Оформление чертежей по стандартам СПДС
Оформление чертежей по стандартам ЕСКД
Универсальное 3D-моделирование
Расширенная поддержка 3D-форматов (STL, SAT, STP, IGES, JT, X_T, X_B, VRML и т.д.)
Создание цифровой модели местности
Оцифровка отсканированных чертежей
Управление настройками САПР
Тип
Основной
Для кого?
Для узкопрофильных компаний
nanoCAD Standart Build
КонфигурацияДля компаний из области строительства
Создание и редактирование чертежей
Поддержка *.dwg-формата
Печать документов в PDF
Поддержка приложений и скриптов
Оформление чертежей по стандартам СПДС
Оформление чертежей по стандартам ЕСКД
Универсальное 3D-моделирование
Расширенная поддержка 3D-форматов (STL, SAT, STP, IGES, JT, X_T, X_B, VRML и т.д.)
Создание цифровой модели местности
Оцифровка отсканированных чертежей
Управление настройками САПР
Тип
Конфигурация
Для кого?
Для компаний из области строительства
nanoCAD Standart Geo
КонфигурацияДля компаний из области изысканий
Создание и редактирование чертежей
Поддержка *.dwg-формата
Печать документов в PDF
Поддержка приложений и скриптов
Оформление чертежей по стандартам СПДС
Оформление чертежей по стандартам ЕСКД
Универсальное 3D-моделирование
Расширенная поддержка 3D-форматов (STL, SAT, STP, IGES, JT, X_T, X_B, VRML и т.д.)
Создание цифровой модели местности
Оцифровка отсканированных чертежей
Управление настройками САПР
Тип
Конфигурация
Для кого?
Для компаний из области изысканий
nanoCAD Standart Mech
КонфигурацияДля компаний из области машиностроения
Создание и редактирование чертежей
Поддержка *.dwg-формата
Печать документов в PDF
Поддержка приложений и скриптов
Оформление чертежей по стандартам СПДС
Оформление чертежей по стандартам ЕСКД
Универсальное 3D-моделирование
Расширенная поддержка 3D-форматов (STL, SAT, STP, IGES, JT, X_T, X_B, VRML и т.д.)
Создание цифровой модели местности
Оцифровка отсканированных чертежей
Управление настройками САПР
Тип
Конфигурация
Для кого?
Для компаний из области машиностроения
nanoCAD Pro
КонфигурацияДля крупного бизнеса с различными отраслевыми задачами
Создание и редактирование чертежей
Поддержка *.dwg-формата
Печать документов в PDF
Поддержка приложений и скриптов
Оформление чертежей по стандартам СПДС
Оформление чертежей по стандартам ЕСКД
Универсальное 3D-моделирование
Расширенная поддержка 3D-форматов (STL, SAT, STP, IGES, JT, X_T, X_B, VRML и т.д.)
Создание цифровой модели местности
Оцифровка отсканированных чертежей
Управление настройками САПР
Тип
Конфигурация
Для кого?
Для крупного бизнеса с различными отраслевыми задачами
nanoCAD Металлоконструкции
Разработка документации разделов КЖ и КМ
nanoCAD Стройплощадка
Организация строительства
nanoCAD BIM Электро
ТИМ-проекты по разделам ЭМ, ЭО, ЭН
nanoCAD BIM СКС
ТИМ-проекты по разделу СКС
nanoCAD BIM ОПС
ТИМ-проекты по разделу СБ
nanoCAD GeoniCS
Проекты в области землеустройства, изысканий и генплана
nanoCAD BIM ВК
ТИМ-проекты по разделу ВК
nanoCAD BIM Отопление
ТИМ-проекты по разделу ОВиК
TDMS Фарватер
Управление разработкой проектов
nanoCAD BIM Вентиляция
ТИМ-проекты по разделу ОВиК
nanoCAD Конструкции PS
Разработка документации разделов КЖ и КЖИ
nanoCAD Облака точек
Обработка данных 3D-сканирования
nanoCAD Механика PRO
3D-моделирование и проектирование в машиностроении
Модуль nanoCAD «Сети»
Трассировка инженерных коммуникаций
Модуль nanoCAD «Трассы»
Проектирование линейно-протяженных объектов
Модуль nanoCAD «Сечения»
Поперечные профиля по типовым конструкциям
Модуль nanoCAD «Геомодель»
Инженерно-геологические разрезы и колонки
Модуль nanoCAD «Генплан»
Генеральные планы и вертикальная планировка
nanoCAD BIM Строительство
ТИМ-проекты по разделам КР, КМ, КЖ, КД, АР
nano360
Онлайн-сервис для управления проектными данными
nanoCAD GeoSeries
Инженерные изыскания и проектирование трубопроводов
Модуль nanoCAD GeoniCS «Топоплан»
Для подготовки топографических карт и моделей рельефа
NSR Модуль требований
База знаний в области стандартизации проектирования
NSR Модуль разработки документов
Организация процесса разработки текстов стандартов
NSR Модуль семантической разметки документов
Преобразование текстов документов в машиночитаемый формат
NSR Модуль семантического анализа
Автоматизация перевода нормативных требований
NSR Модуль семантического поиска
ИИ для генерации ответа по тексту документов
TDMS Фарватер Web
Система документооборота и управления проектированием в строительстве
Новые возможности
Реализована возможность скрытия/отображения промежуточных конструкций
Добавлен способ раскладки кабелей «Однослойно через 0,3 диаметра»
Реализована возможность задавать разные углы поворота для горизонтальных и вертикальных участков кабельных трасс по множителю, формуле или по таблице
Добавлена возможность подбора угловых элементов с допуском в градусах при построении кабельных трасс
Реализована возможность выбора вариантов углов поворота кабельных трасс при наличии нескольких элементов в БД при построении кабельной трассы по миникаталогу
Добавлена возможность автоматической простановки выносок с маркировками кабелей на разрезах кабельных трасс
Реализована возможность условного прототипа раскладывать кабели с заданными параметрами создания полок и ярусов
В окне свойств параметров полок прототипа появилась возможность выбора цвета для конкретной полки (для визуального контроля групп кабелей, проложенных на данной полке)
Реализована возможность проверки нормативных расстояний между кабелями разных групп, т.е. возможность поиска коллизий между трассами с разными кабельными группами
Разработан редактор сечений кабельных трасс, в котором реализован функционал по созданию, выбору и редактированию объектов кабеленесущих систем и крепежных элементов (лотков, стоек, полок, метизов)
Реализована функция построения кабельных трасс параллельно плоскостям системы координат
Появилась возможность разделения кабельной трассы на сегменты лотков/коробов заданной длины
Добавлена возможность автоматизированного присвоения значений параметров кабелей из БД при загрузке кабелей через вкладку Задание на раскладку кабелей
Реализована возможность изменять характеристики полок прототипа (ширина, высота) через быстрые свойства
Добавлено отображение характеристик полок (ширина, высота) в свойствах прототипа
Изменена логика выполнения при раскладке кабелей по файлу CSV из вкладки Задания — появилась возможность продолжить раскладку оставшихся кабелей, даже если один не разложился
Добавлена возможность обновления выносок только на конкретных сечениях и разрезах кабельных трасс
При вставке оборудования через задание реализовано сохранение фильтров поиска в профиле пользователя
Добавлены новые инструменты Калькулятор расчета нагрузок и Генерация однолинейной схемы, которые позволяют рассчитать электрические нагрузки в цепях 0,4 кВ, сохранить результаты расчета в Word и сгенерировать однолинейные электрические схемы
Реализована возможность подбора элементов поворота трасс с квадратным сечением в зависимости от геометрического положения элемента с возможностью определения горизонтального или вертикального участка по заданному атрибуту
Системные требования
Графическая платформа
Платформа nanoCAD + Модуль 3D
Процессор
Минимальные требования: процессор с тактовой частотой 2 ГГц
Рекомендуемые требования: процессор с тактовой частотой 3 ГГц и выше
Оперативная память
Минимальные требования: 24 Гб
Рекомендуемые требования: 64 Гб и выше
Видеоадаптер
Минимальные требования: графический процессор с поддержкой 3D-ускорения, объемом видеопамяти 2 Гб
Рекомендуемые требования: графический процессор с поддержкой 3D-ускорения, объемом видеопамяти 8 Гб (поддерживающий OpenGL 2.1 или DirectX 11)
Место на диске
Свободное место на жестком диске — 7 Гб (минимум). Тип жесткого диска — SSD (рекомендуется), HDD
Разрешение экрана
Минимальные требования: 1024х768 px
Рекомендуемые требования: 1280х1024 px
Дополнительное оборудование
Мышь или другие устройства указания
Операционная система
Отечественная операционная система Astra Linux (релиз «Орёл») 2.12.22 64-bit
Windows 8.1, 10, 11 64-bit
СУБД (опционально)
PostgreSQL от 12 до 16 с кодировкой по умолчанию ru_RU.UTF-8 для ОС Linux и кодировкой Russian_Russian.1251 для ОС Windows
SQL Server не ниже 2017 версии, SQL Server Express не ниже 2017 версии
Менеджер библиотеки стандартных компонентов CADLib.exe (приложение для работы с базой данных Model Studio CS, поставляется вместе с Model Studio CS, не требует лицензирования)
О разработчике
CSoft Development — российский разработчик инженерного программного обеспечения и технологий: САПР, BIM, комплексных решений для машиностроения, промышленного и гражданского строительства, архитектурного проектирования, землеустройства, электронного документооборота, обработки сканированных чертежей, векторизации и гибридного редактирования – с многолетним опытом работы на рынке. Компания создает уникальные решения для управления инженерными данными по российским нормам и стандартам. Предлагаемые компанией CSoft Development современные разработки на базе 2D- и 3D-технологий – Model Studio CS и CADLib Model и Архив, TDMS, AutomatiCS, MechaniCS и многие другие – позволяют проектным организациям автоматизировать выполнение множества повседневных задач, значительно повысить конкурентоспособность и культуру производства, открывают перспективы освоения новейших методик проектирования, позволяют решать задачи в области САПР на самом высоком уровне и с учетом российских реалий.
21 Апреля - Конференция nanoCAD в Краснодаре!Бесплатное участие + Обед. (ул. Конгрессная, 4 Отель «РедПоинт»)
К сайту подключен сервис веб-аналитики «Яндекс.Метрика», использующий cookie.
Оставаясь на сайте, вы соглашаетесь с
Политикой обработки персональных данных.